Ответвитель DPX крестообразный, DKC, 36226K, 500х100, в комплекте
Описание и характеристики
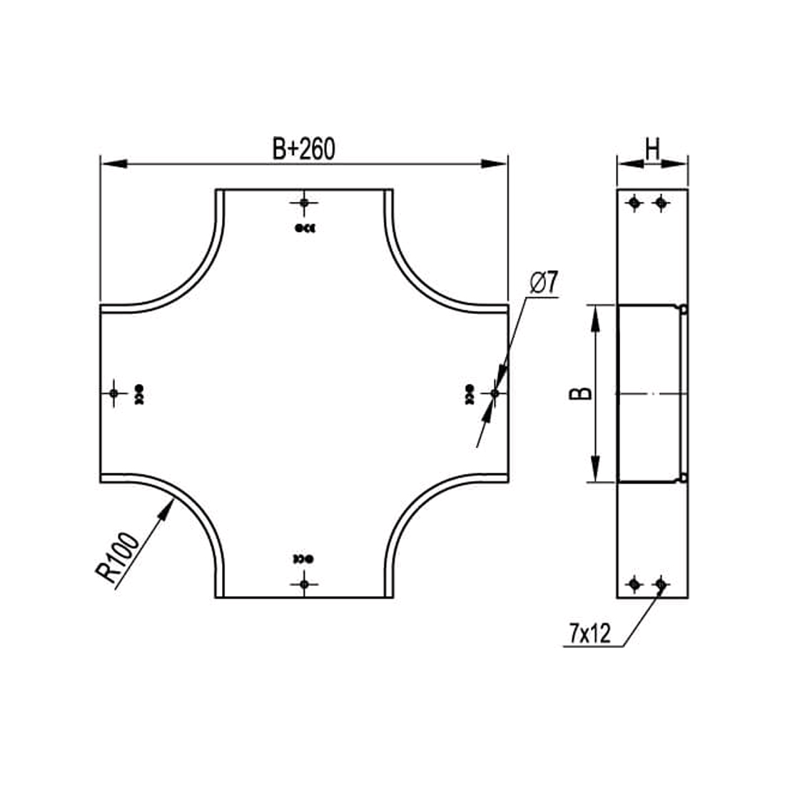
Ответвитель DPX крестообразный DKC 100х100 в комплекте с крепежными элементами и соединительными пластинами, необходимыми для монтажа
На основе листовых лотков и аксессуаров, входящих в состав системы "S5 Combitech", можно строить прочные, надежные кабельные трассы сложного конструктива, защищенные от неблагоприятных условий окружающей среды. Для разворота и ответвления трассы применяются специальные аксессуары – ответвления (Т-образные и Х-образные), а также повороты. С помощью крестообразного ответвителя DPX можно как разворачивать трассу, так и организовывать ее ответвления. Для монтажа трассы с применением ответвителя необходимо использовать соединительные пластины и крепежные элементы – они входят в состав комплектного аксессуара.
Исполнение – "сталь, оцинкованная по методу Сендзимира", ширина лотка – 100 мм, высота – 100 мм, внутренний радиус – 100 мм.
Артикул
36226K
Код
71923
В упаковке
1
Базовая единица
шт
Объём
0.01 м3
Вес
1.54 кг
Оставьте отзыв или сообщите об ошибке. Сообщение будет
отправлено категорийному менеджеру, ответственному за товар.
Помогите сделать наше планирование лучше. Сообщение будет отправлено категорийному менеджеру, ответственному за товар.
Цена на данное оборудование предоставляется только по запросу. Запрос будет отправлен категорийному менеджеру, ответственному за товар. Ожидайте обратной связи.
Данный товар доступен только под заказ. Запрос будет отправлен категорийному менеджеру, ответственному за товар. Ожидайте обратной связи.